Team aCentauri Unveils 2025 Solar Car with PowiGaN Efficiency
The 2025 Bridgestone World Solar Challenge season is officially underway! The 3,000 km race through the Australian outback attracts as many as 1,500 young engineers from around the world every two years to design the most efficient and reliable solar-powered vehicles. Second-time participant, αCentauri Solar Racing team from Switzerland, recently unveiled its newly designed solar car Silvretta, named after the Silvretta mountain range in the Alps.
Representing Power Integrations as a proud two-time team sponsor, Vice President for High-Power Gate Drivers and Automotive Vikram Balakrishnan attended the new car unveiling, accompanied by Director of Product Development for High-Power Gate Drivers Olivier Garcia.
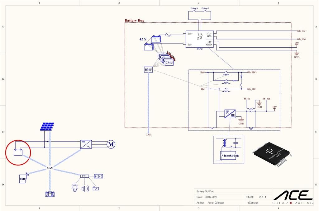
Like its predecessor Aletsch, which became one of only 12 cars in a 31-team pool of challenger class cars to complete the course in 2023, Silvretta features a PowiGaN-based DC-DC converter provided by Power Integrations. The 95% efficient converter delivers electricity efficiently and reliability to the car’s 12 V systems, including steering, vehicle control, photovoltaic (PV) interface, and data management. Download the reference design report to learn more.
New Regulations, Specifications and Solar Season
Team αCentauri’s second-generation solar car is made of carbon and glass fiber-reinforced composites and a customized chassis precisely milled from high-strength aluminum. The aerodynamic drag is comparable to that of a side mirror on a production vehicle, and Silvretta’s 6 m³ of solar panels achieve over 24% cell efficiency.
In the team’s initial entry to the race, Aletsch completed the course from Darwin to Adelaide in six days with an average speed of 61.4 km/h. Building on that success, Team αCentauri thoroughly reviewed every aspect from team structure and car design to component selection and race strategy—to elevate their second build for even greater efficiency. One key consideration for the new car is weather and more importantly solar season. This year marks the first ever World Solar Challenge to be held in the Australian winter, and Team αCentauri had to adapt the new design to account for winter weather, wind and reduced sunlight.
“With Silvretta, we placed an even greater focus on the interaction between aerodynamics and solar performance,” said Leander Hoffmann, Head of the Aerodynamics Team at αCentauri. “Using the calculated air resistance, the estimated solar performance, the motor specifications, and race parameters, we were able to predict race times for different vehicle designs and select the optimal design.”
Automotive-Qualified Power Switching
After Aletsch dazzled the race judges with a heatsink-less InnoSwitch3-EP DC-DC converter two years ago, Silvretta employs a new Power Integrations design using automotive-qualified AEC-Q surface mounted (SMD) components, including a 750 V PowiGaN-based InnoSwitch3-AQ flyback switcher IC. With over 95% efficiency across load range and lower than 16.5 mW no-load consumption, the isolated flyback converter delivers 46 W continuous output and up to 80 W of power for short periods. The high performance of PowiGaN-based InnoSwitch devices and the success of the Aletsch electrical system allowed the team to focus on making improvements rather than a redesign.




Specifications at a Glance
| Feature | Value |
|---|---|
| Name | Silvretta |
| Year of Manufacture | 2024/25 |
| Solar Cell Area | 6 m² |
| Solar Cell Efficiency | 24% |
| Battery Capacity | 3 kWh |
| Dimensions L×W×H | 5.8m×1.43m×0.96 m |
| Vehicle Mass | 190 kg |
| Drive System | Radial flux in-wheel motor |

This Mr. Green blog is part of a special series of blogs, vlogs, livestreams and social posts from the #PowiGaNVan as we follow Team αCentauri through the Australian Outback for the Bridgestone World Solar Challenge. Follow #PowiGaNVan on Power Integrations’ official YouTube Channel and LinkedIn Page.
